



三集一體室內泳池恒溫除濕熱泵產品特點:
經濟節約:從空氣中獲取大量的能源,能效比高達300%-400%。根據使用規律設定三集一體熱泵自動運行時間,費用自然節省。相比燃油、燃氣鍋爐,全年平均可節省70%的能源,加上電價的走低和燃料的上漲,運行費用低的有點日益突出。
使用范圍廣:可廣泛應用于家庭、賓館、酒店、學校、運動員訓練館、桑拿、水上娛樂休閑場所等。
持久恒溫:使用非常簡單,整套熱泵采用自動化智能控制系統,用戶只需在初次使用時開啟電源、在以后的使用過程中完全實現自動化運行,到達用戶指定要求時自動停機,低于用戶指定要求時系統自行開機運行,保持室內恒溫恒濕。
安全運行,無需值守:與燃料鍋爐相比,運行絕對安全,而且自動控制,無需人員值守,可節約人員成本。
使用壽命長:維護費用低,設備性能穩定,使用壽命可達15年以上。
環保:三集一體熱泵無任何燃燒排放物,制冷劑選用了環保制冷劑,對臭氧層零污染,是較好的環保型產品。
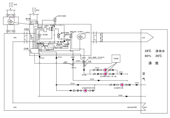
除濕熱泵利用干球和露點高效節能運行

機組工作原理圖:輔助加熱系統水管接自鍋爐熱水;風管的尺寸參數,送、回風風管圖,水系統水管管徑如圖所標。

三集一體室內泳池恒溫除濕熱泵 RH系列結構展示:

性能參數:

成都博浪桑拿泳池設備有限公司 地址:成都市佳靈路5號紅牌樓廣場3號寫字樓10層1012室(家樂福與紅星美凱龍之間)
電話:028-66708601、66708605 服務熱線:15108312892 手機:13408410162
COPYRIGHT 2017 Bolang Sauna & Swimming Pool Equipment Co,.ltd. All Rights Reserved ? 成都博浪桑拿泳池設備有限公司版權所有 蜀ICP備14022652號-1
